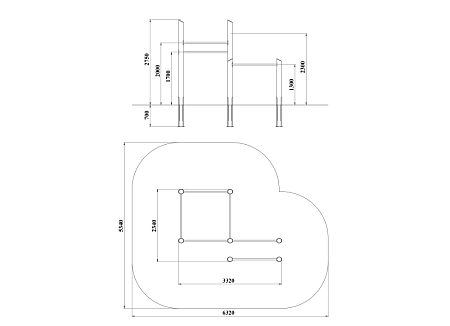
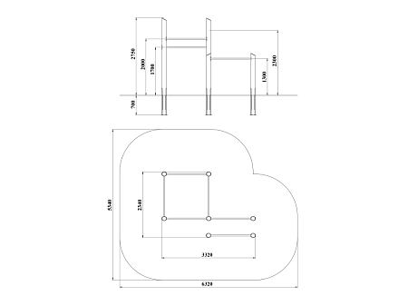
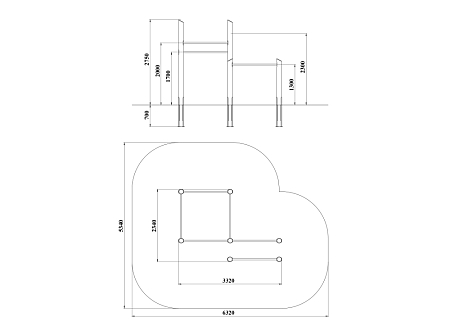
Технические параметры
Длина:
3320 мм
Ширина:
2340 мм
Высота:
2750 мм
Возраст:
от 14 до 18 лет
Высота падения:
2300 мм
Площадь зоны безопасности:
29 м2
ДП 7.377-К Комплекс универсальный на бревнах

















