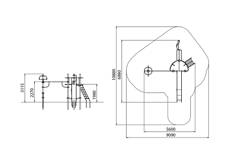
Технические параметры
Универсальный комплекс состоит из башни с жесткой площадкой и площадкой подвесной, каруселью, горкой и гимнастических элементов. Столбы башни выполнены из древесно-полимерного композита (ДПК) диаметром 125 мм, имею профиль с канавками. Все металлические гимнастические элементы и карусель выполнены из нержавеющей стали с антивандальными и безопасными соединениями между собой. Сетки и канаты изготовлены из многожильного армированного износостойкого каната. Площадки и сидение карусели выполнены из экструдированного высокомолекулярного полиэтилена, борта и ограждения горки выполнены из HPL пластика. .
Все используемые материалы закупаются у лучших европейских производителей, что гарантирует высокие стандарты качества.





